- 商品描述
- 商品询价热度
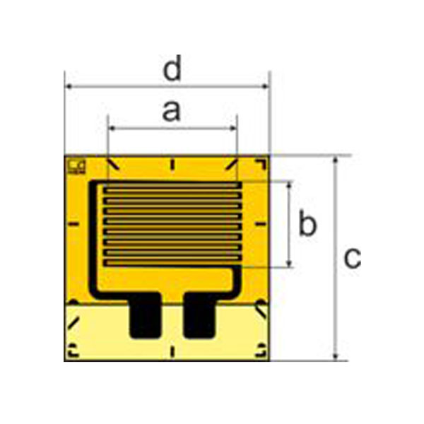
德国HBM LY9 集成焊盘的应变片

德国HBM LY9 应变片各型号参数
订购号 | 额定电阻 | 尺寸 [mm/inch] | 型号 | |||
测量栅丝 | 基底 | |||||
[Ω] | a | b | c | d | ||
1-LY9x-1.5/120_E | 120 | 1.5 | 2 | 6.6 | 4.7 | |
| 钢 (1) | 铝 (3) | 奥氏体钢 (5) | 石英玻璃 / 复合材料 (6) | 钛 (7) | 塑料 (8) | 钼 (9) | ||||||
| 1-LY9x-3/120_E | 120 | 3 | 2 | 7 | 6.3 | |
| 钢 (1) | 铝 (3) | 奥氏体钢 (5) | 石英玻璃 / 复合材料 (6) | 钛 (7) | 塑料 (8) | 钼 (9) | ||||||
| 1-LY9x-6/120_E | 120 | 6 | 4 | 9.5 | 9.5 | |
| 钢 (1) | 铝 (3) | 奥氏体钢 (5) | 石英玻璃 / 复合材料 (6) | 钛 (7) | 塑料 (8) | 钼 (9) | ||||||
| 1-LY9x-1.5/350_E | 350 | 1.5 0.059 | 2 0.079 | 4.7 0.185 | 6.6 0.26 | 1 |
| 钢 (1) | 铝 (3) | 奥氏体钢 (5) | 石英玻璃 / 复合材料 (6) | 钛 (7) | 塑料 (8) | 钼 (9) | ||||||
1-LY9x-3/350_E | 350 | 3 | 2 | 7 | 6.3 | 1 |
| 钢 (1) | 铝 (3) | 奥氏体钢 (5) | 石英玻璃 / 复合材料 (6) | 钛 (7) | 塑料 (8) | 钼 (9) | ||||||
1-LY9x-6/350_E | 350 | 6 | 3.8 | 9.5 | 9.5 | 1 |
| 钢 (1) | 铝 (3) | 奥氏体钢 (5) | 石英玻璃 / 复合材料 (6) | 钛 (7) | 塑料 (8) | 钼 (9) | ||||||


线上咨询




